|
⚠️ WARNING: This article is intended for qualified professional electrical installers ONLY. System owners (consumers) should NOT follow these instructions. Improper installation or handling of electrical equipment can result in serious injury, fire, or damage to your system and loss of warranty. If you are a system owner and need assistance, please contact your Emaldo® installer directly. |
REMEMBER TO SWITCH OFF THE SYSTEM WHEN ANY CHANGES ARE MADE.
When the system can communicate with the smart meter, a symbol appears on the display of the smart meter.
How to install direct smartmeter.
The direct smartmeter must be installed at the first point of the power supply.
For wiring connection please see the illustration below.
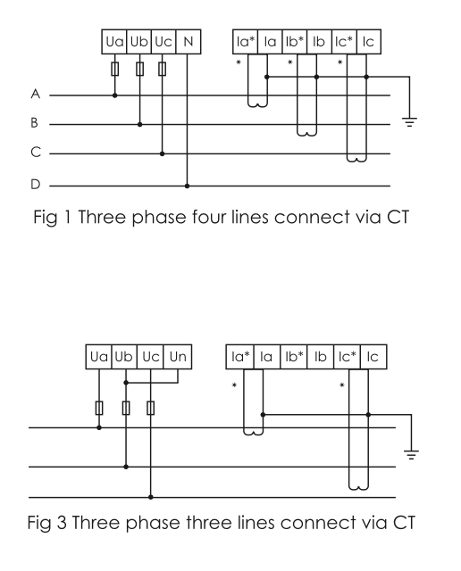
How to install CT-meter.
The CT-clamps must be installed at the first point of the power supply.
For wiring connection please see the illustration below.
The direction of the CT-clamps.
The communication cable between the Emaldo® Power Core and the Smart meter is 5 & 6 in the Emaldo® Power Core (RJ45) to 21 & 22 in the smart meter.
Recommended cable type is Cat6 shielded or better
Download full Smart Meter manual here