|
KOM IHÅG ATT STÄNGA AV SYSTEMET NÄR NÅGRA ÄNDRINGAR GÖRS.
När systemet kan kommunicera med den smarta mätaren, visas en symbol på den smarta mätarens display. Hur man installerar direkt smartmeter.
Den direkta smartmätaren måste installeras vid den första punkten av strömförsörjningen. För anslutning av kablar, se illustrationen nedan.
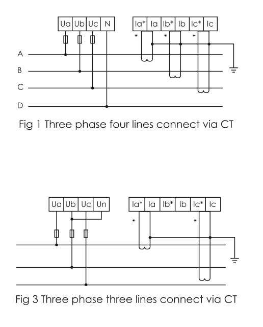
Hur man installerar CT-meter.CT-klämmorna måste installeras vid den första punkten av strömförsörjningen. För anslutning av kablar, se illustrationen nedan. Riktning för CT-klämmorna.
Kommunikationskabeln mellan Emaldo® Power Core och Smart-mätaren är 5 & 6 i Emaldo® Power Core (RJ45) till 21 & 22 i den smarta mätaren. Rekommenderad kabeltyp är Cat6-skärmad eller bättre
Ladda ner den fullständiga manualen för Smart Meter här |