|
⚠️ WAARSCHUWING: Dit artikel is ALLEEN bedoeld voor gekwalificeerde professionele elektrische installateurs. Systeemeigenaren (consumenten) mogen deze instructies NIET volgen. Onjuiste installatie of behandeling van elektrische apparatuur kan leiden tot ernstig letsel, brand of schade aan uw systeem en verlies van garantie. Als u een systeemeigenaar bent en hulp nodig heeft, neem dan rechtstreeks contact op met uw Emaldo®-installatieprogramma. |
VERGEET NIET HET SYSTEEM UIT TE SCHAKELEN WANNEER ER WIJZIGINGEN WORDEN AANGEBRACHT.
Wanneer het systeem kan communiceren met de slimme meter, verschijnt er een symbool op het display van de slimme meter.
Een directe smartmeter installeren.
De directe smartmeter moet op het eerste punt van de stroomvoorziening worden geïnstalleerd.
Zie de onderstaande afbeelding voor de bedrading.
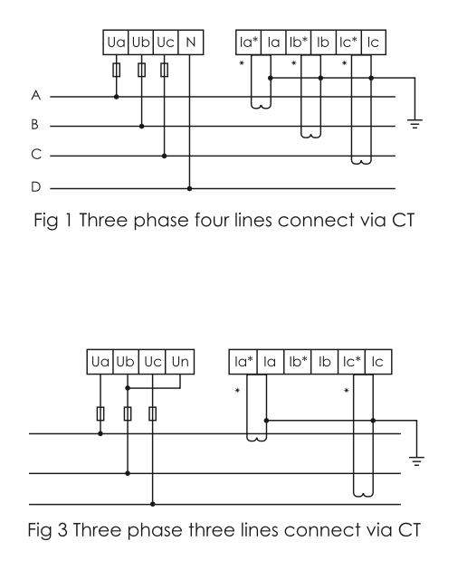
Hoe CT-meter te installeren.
De CT-klemmen moeten op het eerste punt van de voeding worden geïnstalleerd.
Zie de onderstaande afbeelding voor de bedrading.
De richting van de CT-klemmen.
De communicatiekabel tussen de Emaldo® Power Core en de slimme meter is 5 & 6 in de Emaldo® Power Core (RJ45) tot 21 & 22 in de slimme meter.
Aanbevolen kabeltype is Cat6 afgeschermd of beter
Download de volledige Smart Meter-handleiding hier