|
⚠️ VAROITUS: Tämä artikkeli on tarkoitettu VAIN päteville sähköasentajille. Järjestelmän omistajien (kuluttajien) EI tule noudattaa näitä ohjeita. Sähkölaitteiden virheellinen asennus tai käsittely voi johtaa vakavaan loukkaantumiseen, tulipaloon tai järjestelmän vaurioitumiseen ja takuun menetykseen. Jos olet järjestelmän omistaja ja tarvitset apua, ota suoraan yhteyttä Emaldo®-asentajaan. |
MUISTA KYTKETÄÄ JÄRJESTELMÄSTÄ POIS PÄÄLTÄ, KUN TEET MUUTOKSET.
Kun järjestelmä voi kommunikoida älymittarin kanssa, älymittarin näyttöön tulee symboli.
Kuinka asennat suoran älymittarin.
Suora älymittari on asennettava virtalähteen ensimmäiseen pisteeseen.
Katso johdotus alla olevasta kuvasta.
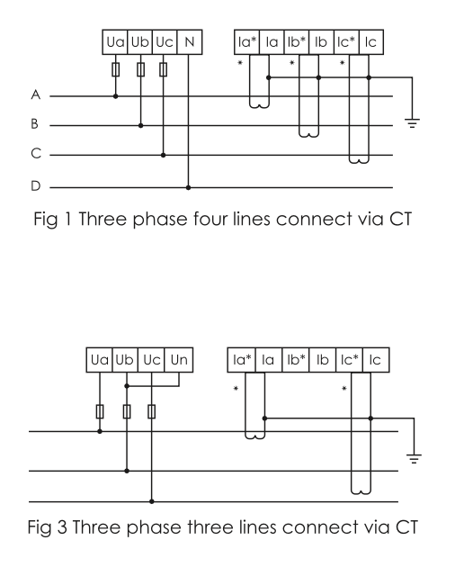
Miten CT-meter asennetaan.
CT-liittimet on asennettava virtalähteen ensimmäiseen kohtaan.
Katso johdotus alla olevasta kuvasta.
CT-puristimien suunta.
Emaldo® Power Core:n ja Smart-mittarin välinen tiedonsiirtokaapeli on 5 & 6 Emaldo® Power Core:ssä (RJ45) 21 & amp; 22 älymittarissa.
Suositeltu kaapelityyppi on Cat6-suojattu tai parempi
Lataa koko Smart Meter -käyttöopas täällä