| midterste: transparent: transparent:
⚠️ ADVARSEL: Denne artikel er KUN beregnet til kvalificerede professionelle elinstallatører. Systemejere (forbrugere) bør IKKE følge disse instruktioner. Forkert installation eller håndtering af elektrisk udstyr kan resultere i alvorlig personskade, brand eller beskadigelse af dit system og tab af garanti. Hvis du er systemejer og har brug for hjælp, bedes du kontakte din Emaldo®-installatør direkte. |
HUSK AT SLUKKE SYSTEMET, NÅR DET ER FORETAGET ÆNDRINGER.
Når systemet kan kommunikere med smartmåleren, vises et symbol på smartmålerens display.
Sådan installeres direkte smartmeter.
Den direkte smartmeter skal installeres på det første punkt af strømforsyningen.
For ledningsforbindelse se venligst illustrationen nedenfor.
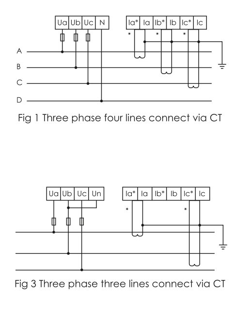
Sådan installeres CT-meter.
CT-klemmerne skal installeres på det første punkt af strømforsyningen.
For ledningsforbindelse se venligst illustrationen nedenfor.
Retningen af CT-klemmerne.
Kommunikationskablet mellem Emaldo® Power Core og Smart-måleren er 5 & 6 i Emaldo® Power Core (RJ45) til 21 & 22 i smartmåleren.
Anbefalet kabeltype er Cat6-skærmet eller bedre
Download fuld Smart Meter-manual her