|
⚠️ VAROVÁNÍ: Tento článek je určen POUZE kvalifikovaným profesionálním elektroinstalatérům. Vlastníci systému (spotřebitelé) by se těmito pokyny NEMĚLI řídit. Nesprávná instalace nebo manipulace s elektrickým zařízením může mít za následek vážné zranění, požár nebo poškození vašeho systému a ztrátu záruky. Pokud jste vlastníkem systému a potřebujete pomoc, obraťte se přímo na svého instalačního technika Emaldo®. |
PAMATUJTE NA VYPNUTÍ SYSTÉMU, POKUD JSOU PROVEDENY JAKÉKOLI ZMĚNY.
Když může systém komunikovat s inteligentním měřičem, na displeji inteligentního měřiče se zobrazí symbol.
Jak nainstalovat direct smartmeter.
Přímý inteligentní měřič musí být nainstalován v prvním bodě napájecího zdroje.
Připojení kabeláže viz obrázek níže.
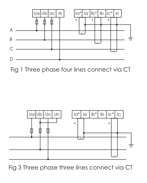
Jak nainstalovat CT-meter.
Svorky CT musí být nainstalovány v prvním bodě napájecího zdroje.
Připojení kabeláže viz obrázek níže.
Směr svorek CT.
Komunikační kabel mezi Emaldo® Power Core a inteligentním měřičem je 5 & 6 v Emaldo® Power Core (RJ45) až 21 & amp; 22 v inteligentním měřiči.
Doporučený typ kabelu je stíněný Cat6 nebo lepší
Stáhněte si celou příručku Smart Meter zde